Basic HTML Version
Table of Contents
View Full Version
Page 744 - Manual Oficina Polaris Sportsman 570 2014 a 2016
P. 744
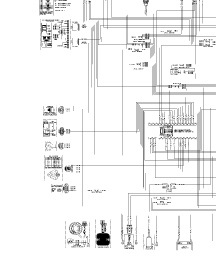
2014 Sportsman 570 EPS Tour Wiring Diagram 1 of 2
739
740
741
742
743
744
745
746
747
748
749