Basic HTML Version
Table of Contents
View Full Version
Page 754 - Manual Oficina Polaris Sportsman 570 2014 a 2016
P. 754
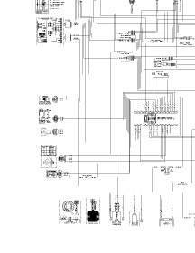
2014 Sportsman 570 Wiring Diagram 1 of 2
749
750
751
752
753
754
755
756
757
758
759