Basic HTML Version
Table of Contents
View Full Version
Page 764 - Manual Oficina Polaris Sportsman 570 2014 a 2016
P. 764
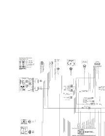
2015 Sportsman 570 Premium Wiring Diagram 1 of 2
759
760
761
762
763
764
765
766
767
768
769